HP3 Casappa pumpulle (autopumppu)
Tekniset tiedot
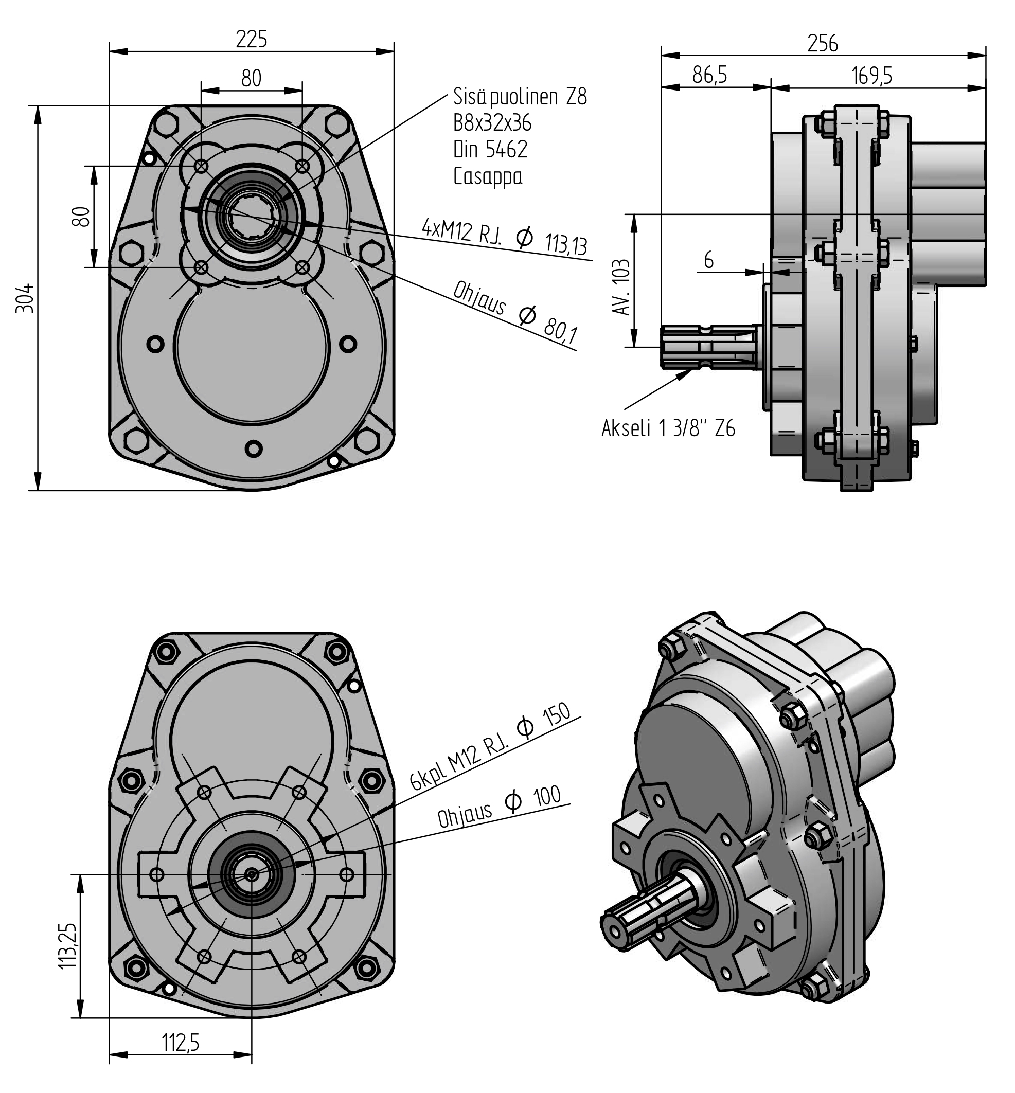
| Välitys, i | 1:2,9 |
| Akselit kuvassa | Sisäpuolinen Z=8 casappa, akseli Z=6 1 3/8" |
| Saatavana myös akseli | 1 ¾" |
| Vaihteen kiinnitys | Kruunu 6xM12, ohj. 100mm reikäjako ø150mm |
| Pumpun kiinnitys | Ohj.80,1mm,4xM12, reikäjako ø113,13 |
| Paino | n. 30kg |
| Öljytilavuus | 0,6 l |
| Öljy | SAE 80w/90 |
Tuotekuvat
HP3 10PN 29PO

Yhteystiedot
Peuralan Konepaja Oy
Vasunmäentie 1190
FI 62185 Mäki-Paavola
p. +35864377122
Tämä sähköpostiosoite on suojattu spamboteilta. Tarvitset JavaScript-tuen nähdäksesi sen.
If you would like to have service in English, please contact us first by email Tämä sähköpostiosoite on suojattu spamboteilta. Tarvitset JavaScript-tuen nähdäksesi sen.
Do not hesitate to ask, please feel free to contact us.

